Deska sedesowa Geberit Selnova Comfort

Czynne pn-pt: 9:00-17:00
Szczegółowy opis produktu
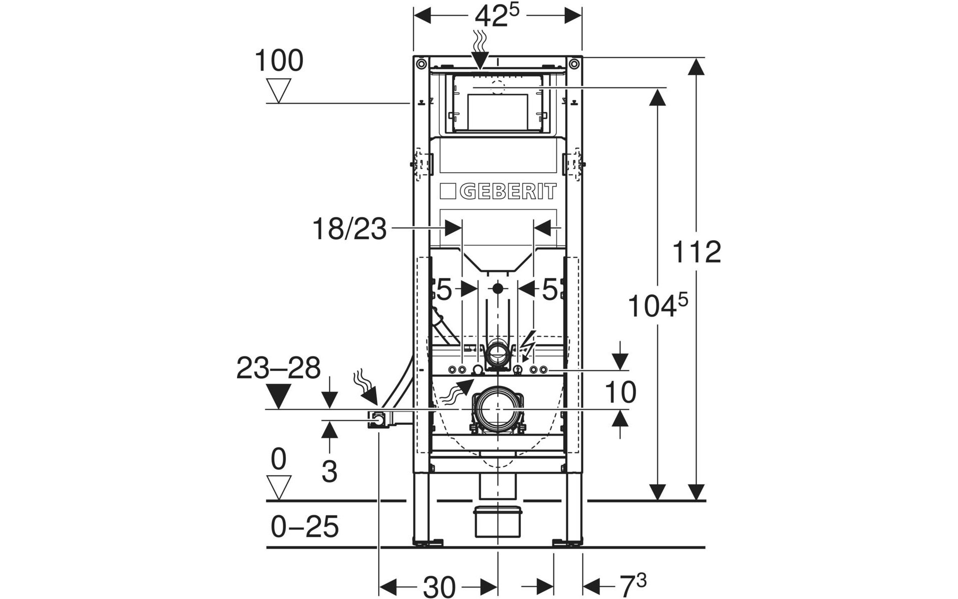
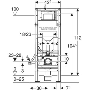
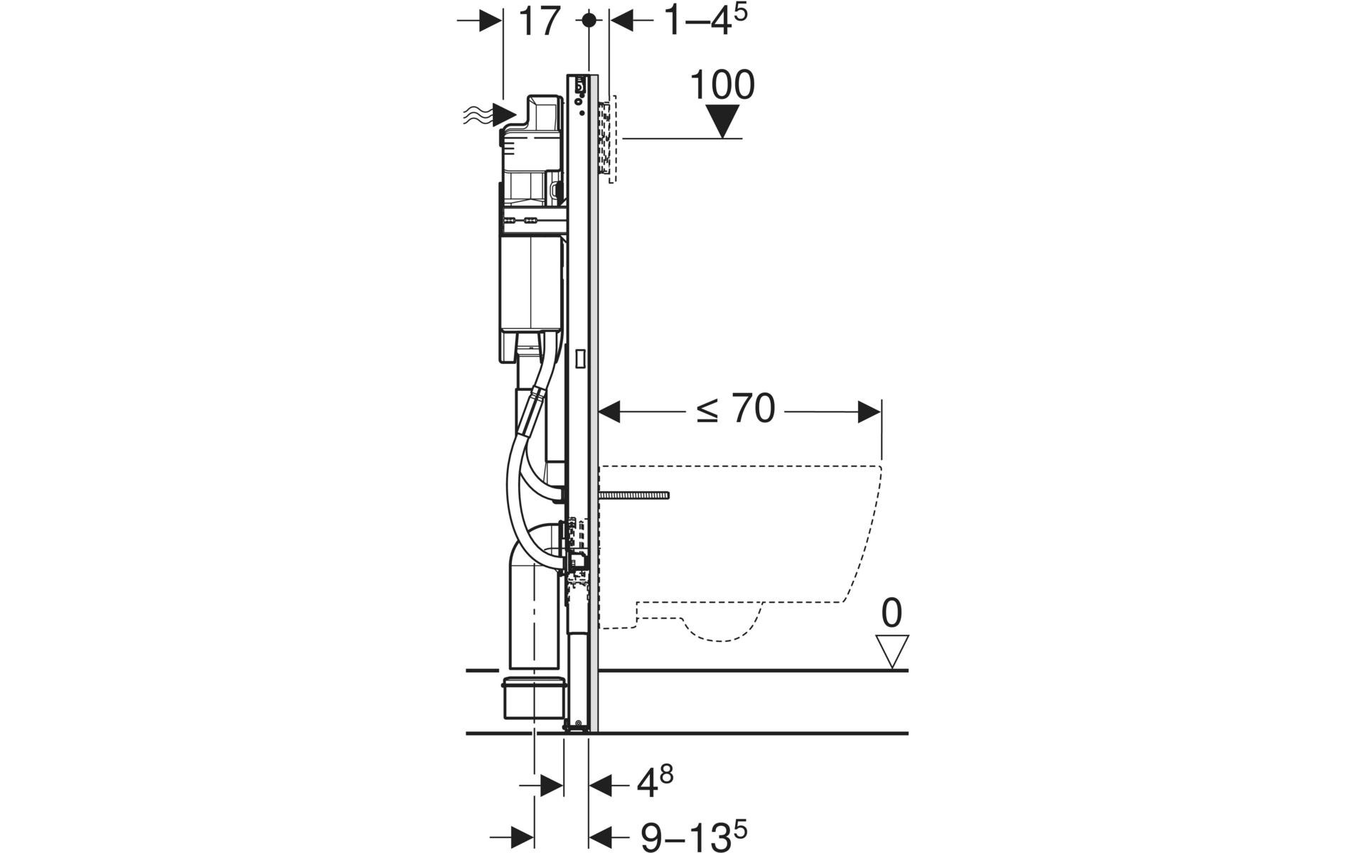
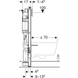
Wysokiej jakości stelaż podtynkowy Geberit Duofix, specjalnie wzmocniony pod montaż misek wiszących dla osób niepełnosprawnych. Przeznaczony do zabudowy lekkiej (do płyt karton-gips).
Przeznaczenie:
• Do metalowych i drewnianych ścianek konstrukcyjnych
• Do ścianek systemowych Geberit Duofix
• Do montażu w ściankach instalacyjnych o częściowej wysokości lub wysokości pomieszczenia
• Do montażu w ściankach działowych na wysokość pomieszczenia
• Do wysokości warstw podłogi 0–25 cm
• Do misek wiszących
Charakterystyka:
• Seria 2025
• Statyczna rama samonośna, zabezpieczona przed korozją powłoką malowaną proszkowo
• Rama do wiszących misek WC o wymiarach przyłączeniowych zgodnych z normą EN 33 i wysunięciu do 70 cm
• Możliwość regulacji wysokości zawieszenia miski WC na etapie montażu stelaża, zakres regulacji 41–46 cm
• Szerokość ramy tylko 42,5 cm, możliwość zamontowania uchWytów, poręczy bliżej osi stelaża
• Z wysuwaną blachą do bocznego mocowania nad elementem na profilach metalowych lub drewnianych bądź na elementach konstrukcyjnych Geberit Duofix
• Obrotowe stopy, odpowiednie do montażu w profilach U UW 50 i UW 75
• Stopy można zamontować w szynie systemowej Geberit Duofix bez użycia narzędzi, bez dodatkowych komponentów
• Ocynkowane nogi montażowe, zabezpieczone przed korozją, antypoślizgowe
• Kolano przyłączeniowe z możliwością montażu na różnych głębokościach bez użycia narzędzi, zakres regulacji 45 mm
• Spłuczka podtynkowa Geberit Sigma 12 cm, z izolacją przeciwroszeniową
• Do uruchamiania z przodu, nadaje się do spłukiwania jednoilościowego, dwudzielnego i spłukiwania z funkcją "stop"
• W przypadku ustawień fabrycznych ponowne spłukiwanie możliwe natychmiast
• Prace montażowe i serwisowe przy spłuczce podtynkowej bez użycia narzędzi
• Przyłącze wody z tyłu lub na górze na środku
• Obudowa ochronna otworu rewizyjnego z możliwością skrócenia, chroni przed wilgocią i zabrudzeniami
• Z peszlem ochronnym do dopływu dla toalet myjących Geberit AquaClean lub do przewodu przyłączeniowego
• Mocowanie przyłącza elektrycznego i Power & Connect Box
W przypadku korzystania z Power & Connect Box nie jest możliwe połączenie elektronicznego systemu sterowania WC z Geberit AquaClean
Zestaw obejmuje:
- Przyłącze wody R 1/2", typu MasterFix i MeplaFix, z zintegrowanym zaworem kątowym i pokrętłem
- Obudowa ochronna otworu rewizyjnego
- Zestaw przyłączeniowy do WC, ø 90 mm
- Kolano przyłączeniowe 90° z PE-HD, ø 90 mm
- Kielich przejściowy z PE-HD, ø 90 / 110 mm
- Materiały mocujące i ochronne
- NALEŻY DOKUPIĆ WSPORNIKI DYSTANSOWE 111.815.00.1 ORAZ PRZYCISK SPŁUKUJĄCY
Dane techniczne:
Ciśnienie - 10–1000 kPa
Maks. temperatura wody - 25 °C
Ustawienia fabryczne ilości wody spłukującej - 6 / 3 l
Zakres regulacji spłukiwania dużą ilością wody -4 / 4.5 / 6 / 7.5 l
Zakres regulacji spłukiwania małą ilością wody - 2–4 l
Przepływ przy 3 bar - 0.16 l/s
Minimalne ciśnienie przepływu - 10 kPa
Przepływ obliczeniowy - 0.09 l/s
O regulowanej wysokości - Tak
Specyfikacja techniczna
Akcesoria
Pozostali kupili również
Zobacz również